Артикул:
6130
Описание
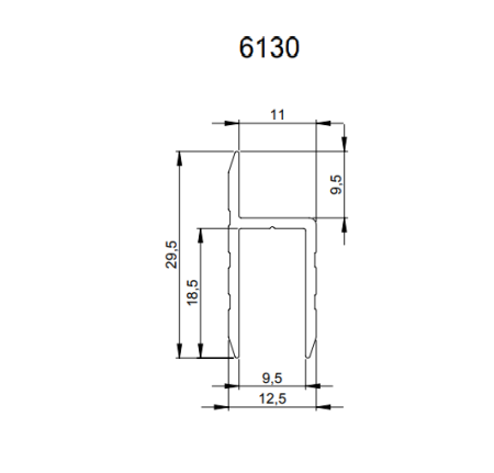
Adam Hall 6130 - это угол h -образный для крышки кофра . Он выполнен из аллюминия , что обеспечивает прочность и долговечность изделия. Профиль легко устанавливается благодаря своему размеру.Вес профиля составляет всего 0,22 кг .Длина хлыста 3 м. Цена указана за 1 м
Характеристики
Тип
?
Text
профиль
Назначение
для кейсов и кофров
Производитель
Adam Hall
Высота (мм)
29,5
Вес (кг)
0,22
Доставка
Условия и сроки доставки можно будет уточнить после оформления товара

